Audiowell Electronics (Guangzhou) Co., Ltd.

Dust Sensor Location:Home > Products > Air Quality Detection Sensor

Summary

Dust sensor is a kind of photoelectric sensor, which detect the concentration of dust in the air by the reflection of light. It can effectively detect and monitor PM 2.5 particles in the air,which is mainly aplied in the equipment for environmental and air quality monitoring.

Buy Samples

Product Details

Model:


DW0001-000

Applications:


Air cleaners, air conditioners, air quality monitor, etc.

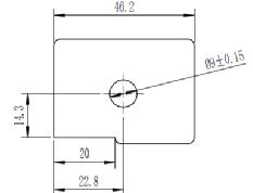
Dimensions:


Specification:



     
 

NO.

Item

Specification



1

Operating Supply voltage

5±0.5V



2

Detectable Dust Size

2.5μm,Min 0.3μm



3

Sensitivity

0.5V/(0.1mg/m3)



4

Dust Density Range

0~8000pcs/283ml

 
     
   
Search
International Pizoelectirc Ceramic Products Supplier
奥迪威公司是目前国内生产规模最大的压电元器件产品生产商之一
Worldwide Pizoelectirc Ceramic Products Supplier
购物车信息x
成功加入购物车
  您的购物车中已有 0 件商品
  查看购物车并结算    继续购买
Request Sample Informationx
Successfully joined Request List
  Total: 0
  View Sample Request    Continue to request samples