Audiowell Electronics (Guangzhou) Co., Ltd.

Ultrasonic Flow Sensor Location:Home > Products > Ultrasonic Flow Sensor

Summary

Ultrasonic flow sensor is used as the core element of ultrasonic flow meters. Ultrasonic flow measurement uses the transit time principle, whereby opposite sending and receiving ultrasonic flow sensors are used to transmit signals through the flow. The signal travels faster when moving with the flow stream rather than against the flow stream. The difference between the two transit times is used to calculate the flow rate.

Product Details

Model:


US0002-000

Features:


- Unit block product, easy to mount and solder.

-  Low power consumption, conveinient for long-term uses.

- Water pressure resistant design, sateble perfromance.

- Enclosed metal cased, excellent water-proof.

- Advanced strutural design, high distortion resisdence.

Applications:


- Flow meter

- Under-water level meter

- Water-heating system monitoring

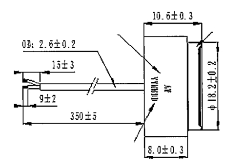
Dimensions:


Specification:


NO.ItemSpecification
1Resonant impedance≤110Ω
2Resonant frequency975±30KHz
3Static capacitance1350±20%pF
4Pressure-resistant1.6Mpa
Search
International Pizoelectirc Ceramic Products Supplier
奥迪威公司是目前国内生产规模最大的压电元器件产品生产商之一
Worldwide Pizoelectirc Ceramic Products Supplier
购物车信息x
成功加入购物车
  您的购物车中已有 0 件商品
  查看购物车并结算    继续购买
Request Sample Informationx
Successfully joined Request List
  Total: 0
  View Sample Request    Continue to request samples